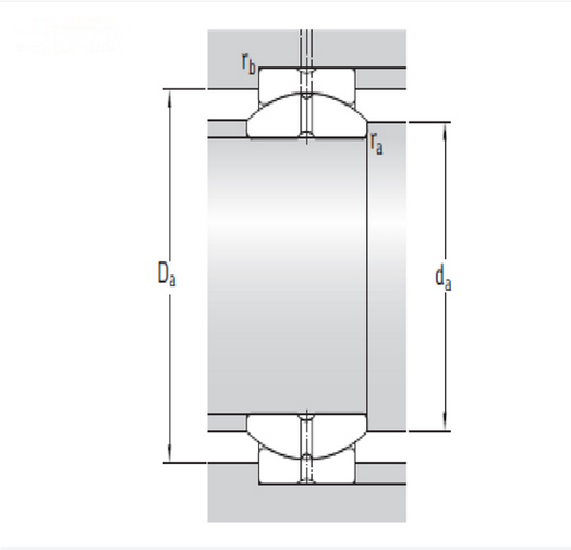
In the field of mechanical engineering, radial spherical bearings are the key sliding bearings to achieve rotational support and angle compensation. With their ability to withstand multi-directional loads and adapt to angular deviations, they are widely used in low-speed, heavy-load and complex working conditions. They are core components in engineering machinery, aerospace, automobile industry and other fields. This article systematically introduces radial spherical plain bearings from the aspects of structure, classification, performance, application and maintenance.Radial spherical plain bearings are characterized by "spherical contact between the inner and outer rings". Their main function is to bear radial loads, while they can also bear a certain amount of axial loads and overturning moments. They allow for an angular deviation of 1°-5° between the inner and outer rings to compensate for additional stress caused by installation errors, component deformation, or changes in motion…

Similar

Six Row Cylindrical Rollers Turntable With Teeth On The Outer Ring
Inner Ring Toothed Three Row Cylindrical Roller Slewing Bearing
Related Product Tapered Roller Bearings
Partial Cylindrical Roller Bearings
Related Product Roller Bearing
Related Product Sendzimir Bearings
Four Row Cylindrical Roller Bearings
Double Row Cylindrical Roller Bearings
Single Row Full Cylindrical Roller Bearings
Self Aligning Ball Bearing
Paired Angular Contact Ball Bearings
Single Row Deep Groove Ball Bearings With Sealing Ring

Jilin Zhongye Bearing Technology Co., Ltd.

Jilin Zhongye Bearing Technology Co., Ltd.was established in October 2021 and is located in Changchu…

Download

Download Current

Copyrights © 2026 alederlight.com All Rights.Reserved .